Regulation Inverter, dialogue entre amis

Répondre
ummolae
Resp. Section
Resp. Section
Messages : 3602
Enregistré le : ven. nov. 03, 2006 7:33 pm
Travaillez-vous dans le domaine des énergies ou du chauffage : Non

Message par ummolae »

elf a écrit :Au fait, j'arrête mes essais pour aujourd'hui, à force de chauffer il fait 22,5° dans la maison et il reste de l'énergie dans le plancher :lol:
Si il y a surchauffe, c'est que la régulation ne fait pas son boulot, que veux tu dire "il reste de l'énergie dans le plancher" ??
Avatar du membre
elf
Modérateur
Modérateur
Messages : 1395
Enregistré le : ven. nov. 04, 2005 1:58 pm
Localisation : Lançon Provence 13680
Travaillez-vous dans le domaine des énergies ou du chauffage : Non
Contact :

Message par elf »

Je disais cela car pour mes essais je montais la consigne de la télécommande Daikin 21..22..23 pour voir si l'Inverter fonctionnait, alors bien sur le plancher chauffant emmagasinait et après il restituait :lol:

Mais suivant des essais plus poussés et en consultant la doc des RZQ car sur celle des RZP (ESiE03-04-SKY AIR R407C-L.pdf) on ne parle pas d'Inverter il apparaît que (page 111 du ESIE06-07_RZQS71~125B7V3B.pdf) :

The compressor operation frequency is controlled in order to keep a constant evaporation temperature in cooling and a constant condensing temperature in heating.
....
In heating, the target operation frequency will be determined by the indoor ∆t and the condensing temperature.
∆t heat = Indoor return air temperature - Remote controller set temperature.
Depending on the heating load, the target condensing temperature (Tc) will be a value between 42°C ≤ Tc ≤ 51°C.


Hors la T° de retour du fluide monte au max à 36°C et au bout de plus d'une heure de fonctionnement par température extérieure de 10° alors en dessous quand elle monte à 30..31° c'est beaucoup.
Est-ce que le problème viendrait de là, la sonde RT2 connectée sur X18A du module intérieur étant fixée sur le tube à la sortie du condenseur ?
Un test à faire peut être, mettre une résistance de 27kO en parallèle de cette RT2 ?
ummolae
Resp. Section
Resp. Section
Messages : 3602
Enregistré le : ven. nov. 03, 2006 7:33 pm
Travaillez-vous dans le domaine des énergies ou du chauffage : Non

Message par ummolae »

Salut ELF

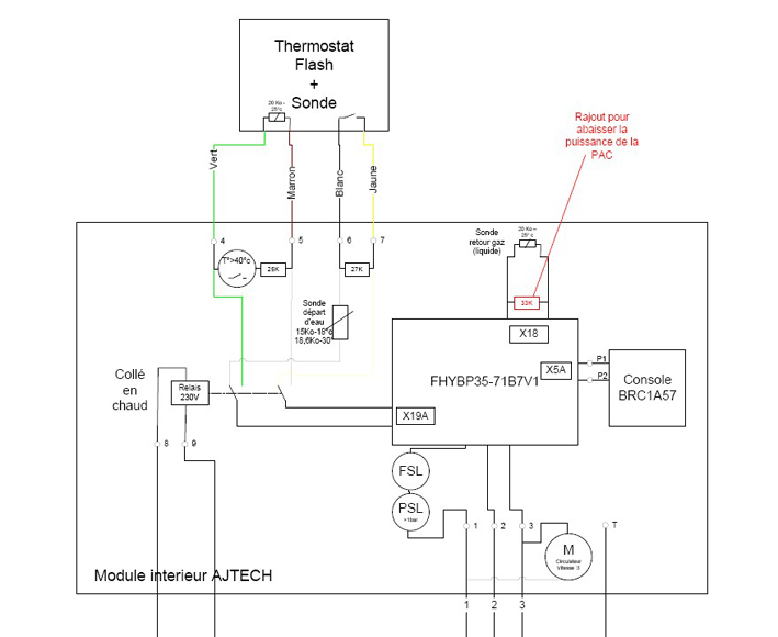
Je n'ai pas retrouvé la doc daikin ESIE 06-07 dans mon dossier, néanmoins j'ai retrouvé un schéma constructeur qui préconise la modif que tu supposes être nécessaire dans ton cas.
Image

Je n'ai pas encore vue cette notion -->Depending on the heating load, the target condensing temperature (Tc) will be a value between 42°C ≤ Tc ≤ 51°C. là on parle de température gaz condenseur ?? ai-je bien compris ?
D'après le schéma, la sonde se situe sur le retour gaz (liquide), donc plage de 42°C à 51°C sur le RETOUR GAZ sur le schéma de la RZP le bornier X18A reçoit les infos de R4T (thermistor suction pipe).
Modifié en dernier par ummolae le ven. févr. 20, 2009 6:29 pm, modifié 2 fois.
Avatar du membre
Reigua
Modérateur
Modérateur
Messages : 2198
Enregistré le : ven. nov. 04, 2005 1:13 pm
Localisation : Normandie, Etretat
Travaillez-vous dans le domaine des énergies ou du chauffage : Non

Message par Reigua »

Bonjour Messieurs :wink:

Bon, j'essaye de comprendre :oops:

D'après ce que je viens de lire, il semblerait que la régulation Inverter entrerait en fonction dans une plage de température située entre 42 et 51°, laquelle est déterminée en fonction de la température ambiante (ou de l'eau du BT dans mon cas), la température de consigne et la température en sortie du condenseur :roll:

Je traduis température en sortie du condenseur par la température du circuit fluide en sortie du module hydraulique, est-ce exact :?:

Donc moi qui régule sur une température d'eau à 40° me semble donc être un peu "juste" pour déclencher l'inverter :roll: car en maintenant une température de consigne fidèle avec une température de l'eau à 40°, j'ai effectivement peu de chance d'entrer dans la plage des 42-51° minimum de déclenchement de l'Inverter :roll:

Reigua
Anciennement PAC Air/Eau Daikin RZQ125/Ajtech et maintenant ZURAN/Ajtech sur 140m² de PC au RDC et 7 radiateurs à l'étage sur 100 m²
http://chezreigua.no-ip.org/index.html
ummolae
Resp. Section
Resp. Section
Messages : 3602
Enregistré le : ven. nov. 03, 2006 7:33 pm
Travaillez-vous dans le domaine des énergies ou du chauffage : Non

Message par ummolae »

Reigua a écrit :Je traduis température en sortie du condenseur par la température du circuit fluide en sortie du module hydraulique, est-ce exact :?:
La traduction est correcte, mais l'interprétation ne semble pas être la bonne, la température de condensation s'adresse à ce qui condense dans l'échangeur, c'est à dire du gaz qui se transforme en liquide après avoir livré ses calories.

Il faut se rappeler que ce type de pompe est prévue pour fonctionner avec une sortie d'eau à 35°C en BT.
Avatar du membre
Reigua
Modérateur
Modérateur
Messages : 2198
Enregistré le : ven. nov. 04, 2005 1:13 pm
Localisation : Normandie, Etretat
Travaillez-vous dans le domaine des énergies ou du chauffage : Non

Message par Reigua »

Merci Ummolae

Maintenant, j'y comprend encore moins quelque chose :lol: :lol:

Reigua
Anciennement PAC Air/Eau Daikin RZQ125/Ajtech et maintenant ZURAN/Ajtech sur 140m² de PC au RDC et 7 radiateurs à l'étage sur 100 m²
http://chezreigua.no-ip.org/index.html
Avatar du membre
elf
Modérateur
Modérateur
Messages : 1395
Enregistré le : ven. nov. 04, 2005 1:58 pm
Localisation : Lançon Provence 13680
Travaillez-vous dans le domaine des énergies ou du chauffage : Non
Contact :

Message par elf »

Bonjour Ummolae et Reigua,
ummolae a écrit :Je n'ai pas retrouvé la doc daikin ESIE 06-07 dans mon dossier, néanmoins j'ai retrouvé un schéma constructeur qui préconise la modif que tu supposes être nécessaire dans ton cas.
C'est un schéma de Ptipoil il me semble pas du constructeur.

Actuellement, je suis en test avec la carte ampli sur sonde intérieure et avec un relais pour les heures creuses sur deux thermistances de 0,1kO à 25° placées en série à l'extérieur. Celles-ci permettent d'avoir 0,360kO en plus à 10° extérieur, 0,5kO à 0° et 0,6kO à -5°.

J'ai découvert un problème dans ma chaine de régulation. Ma sonde d'ambiance faisait corps avec le boîtier plastique fixé au mur d'où une réactivité nulle de la sonde.
Maintenant en 41.01 et en mesure sur la sortie de la carte ampli j'ai des variations qui sont beaucoup plus importantes et devraient permettre une meilleure "Inverterisation" du système. Par contre la mise au point est laborieuse. Mais on avance :)
En fait, la régulation n'est pas aussi réactive que la tienne.
En effet, tu dis que pour monter la T° ambiante d'un degré chez toi il faut une heure de fonctionnement à ta PAC. Chez moi, il faut trois heures, c'est pourquoi mes thermistances placées à l'extérieur sont plus faibles que la tienne qui est couplée à une résistance fixe.
Le fait que tu possèdes des radiateurs doit permettre une montée en température plus rapide.
Modifié en dernier par elf le mar. févr. 24, 2009 11:08 am, modifié 2 fois.
Avatar du membre
elf
Modérateur
Modérateur
Messages : 1395
Enregistré le : ven. nov. 04, 2005 1:58 pm
Localisation : Lançon Provence 13680
Travaillez-vous dans le domaine des énergies ou du chauffage : Non
Contact :

Message par elf »

ummolae a écrit :Je n'ai pas encore vue cette notion -->Depending on the heating load, the target condensing temperature (Tc) will be a value between 42°C ≤ Tc ≤ 51°C. là on parle de température gaz condenseur ?? ai-je bien compris ?
Je pense que tu as bien compris. Voilà ci-dessous la page complète pour machine RZQ :
Image

Et celle de la machine RZP que j'ai retrouvée dans mes archives :
Image
ummolae a écrit :D'après le schéma, la sonde se situe sur le retour gaz (liquide), donc plage de 42°C à 51°C sur le RETOUR GAZ sur le schéma de la RZP le bornier X18A reçoit les infos de R4T (thermistor suction pipe).
Là je pense que tu te trompes sur la fin de ta phrase (R4T), le X18A (module intérieur) reçoit l'info d'une R2T placée sur le tuyau en sortie gaz du condenseur (liquide), donc c'est bien la température gaz condenseur que tu parlais plus haut.

Et maintenant ? APPLICATION :

Image

Qu'en penses-tu ?
ummolae
Resp. Section
Resp. Section
Messages : 3602
Enregistré le : ven. nov. 03, 2006 7:33 pm
Travaillez-vous dans le domaine des énergies ou du chauffage : Non

Message par ummolae »

elf a écrit :Là je pense que tu te trompes sur la fin de ta phrase (R4T), le X18A (module intérieur) reçoit l'info d'une R2T placée sur le tuyau en sortie gaz du condenseur (liquide), donc c'est bien la température gaz condenseur que tu parlais plus haut.
Il est exact que j'ai fait une erreur, je me suis trompé de plan, j'ai pris celui de la RZQ qui est différent de la RZP, c'est bien R2T qui arrive sur le X18A.

Merci pour les infos concernant la régulation en fréquence du groupe en fonction de la température de condensation, je ne les avais pas en stock.

Je ne sais pas si c'est un bon plan de faire varier la température de condensation par la modification de R2T, il n'y aura que des essais successifs qui nous diront si cela améliore la régulation en inverter du groupe.

Je pense, par principe, que les concepteurs ont du choisir les meilleurs paramètres pour le fonctionnement optimum de leur machine.

Par contre, tes recherches sur l'installation de ta sonde me semble une bonne piste, une sonde collée au mur ne doit pas voir beaucoup de variation de l'air ambiant.

Il est vrai que la réactivité de mon système est du pour partie des radiateurs de l'étage qui diminuent le temps de réponse thermique de l'ensemble.
Avatar du membre
Reigua
Modérateur
Modérateur
Messages : 2198
Enregistré le : ven. nov. 04, 2005 1:13 pm
Localisation : Normandie, Etretat
Travaillez-vous dans le domaine des énergies ou du chauffage : Non

Message par Reigua »

Salut, c'est Reigua :lol:

Donc ce n'est donc pas la température de condensation qui définie la modulation de puissance Inverter mais bel et bien la température du GAZ (liquide) en sortie de l'échangeur du module hydraulique :?

Donc si j'extrapole, il faut donc que la température de l'eau fourni soit dans la plage des 42 - 51°C pour que la régulation Inverter entre en action :?

C'est donc effectivement ce que je constate depuis hier midi depuis que j'ai volontairement augmenté ma température d'eau de consigne du BT. Je pense que le fonctionnement saccadé que j'observe provient aussi des actions de l'Aquastat qui doit couper avant que la température de consigne indiquée par le panneau de commande ne soit atteinte.

Effectivement ELF, 2 résistances de 47 ko en // nous donne une valeur de 13,5 ko , ce qui correspond à une température de 34°C. Ajouté à cela à tes 20° de température moyenne de retour fluide, on est bien dans la plage des 42-51 :)

Donc si je souhaite "provoquer" l'inverter de ma machine, je dois donc faire en sorte que la température du GAZ liquide soit comprise dans les plages indiquées. En considérant qu'une température d'eau de 40° soit suffisante pour mon installation, je dois donc ajouter environ +5° à la valeur de la sonde connectée sur le X18.
Rapidement, j'en déduis que l'ajout d'1 résistance de 47ko en // sur le X18 me fera augmenter d'environ 5° la température renvoyée vers la régulation, me positionnant ainsi dans la plage des 42-51 avec les 45° obtenus.

En résumé, je demande une température d'eau d'environ 40° sur la consigne et la régulation interne la maintien en Invertérisant au mieux grâce aux valeurs faussées d'environ +5° de la sonde du gaz liquide en sortie de l'échangeur :roll:
Reste à déterminer également quelle serait la valeur "faussée" idéale pour cette sonde de manière à ce que la régulation lisse au mieux les cycles de fonctionnement de l'unité extérieure. Dans ces conditions, si on considère que plus la température du retour liquide est importante que plus la machine invertérise, alors une augmentation de 10° serait peut-être alors préférable au 5° indiqués dans cet exemple :?

Donc, plus proche je suis des 51°, plus la machine "limite" sa puissance et plus je m'en éloigne (proche des 42 mimimum requis), plus la machine augmente sa puissance pour se rapprocher de la consigne.

Reste ensuite à calculer la valeur optimale de cette résistance pour ne plus brider la machine lorsque les conditions extérieures l'exigent, disons à partir de 0°C dans mon cas pour tenter de recalibrer un fonctionnement Inverter idéal :wink:

Mon raisonnement tient-il la route :?: :roll:
Reigua
Anciennement PAC Air/Eau Daikin RZQ125/Ajtech et maintenant ZURAN/Ajtech sur 140m² de PC au RDC et 7 radiateurs à l'étage sur 100 m²
http://chezreigua.no-ip.org/index.html
Avatar du membre
elf
Modérateur
Modérateur
Messages : 1395
Enregistré le : ven. nov. 04, 2005 1:58 pm
Localisation : Lançon Provence 13680
Travaillez-vous dans le domaine des énergies ou du chauffage : Non
Contact :

Message par elf »

Bien vu Reigua !

Mes essais en cours :

Données en entrée à un instant T :
- T° retour fluide = 20°C mesurée par sonde 1wire
- R2T/X18A => retour fluide sortie condenseur = 24,2 kOhms, = 2,72 volts, = 20,2°C
- la T° du fluide sortie condenseur fluctue entre 20 et 30°C en période de chauffe
- soit 10°C entre les points bas et haut

Objectif suivant les données précédentes :
- avoir 10°C entre les points bas et haut de X18A soit de 41 à 51°C
- pour rappel la plage "Inverter" va de 42 à 51°C, les 17 paliers de puissance (RZP) sont dans cette zone
- il faut avoir 10 kOhms soit 41°C en entrée de X18A pour la T° la plus basse qui est de 20°C
- en période de chauffe X18A passera donc de 20 à 30°C réels soit de 41 à 51°C après modification

Réalisation :
- rappel : la sonde thermique (R2T) à une valeur de 24,2 kOhms à 20,2°C
- il faut placer une résistance de 17.2 kOhms en parallèle à cette sonde
- ce qui donnera une résultante de 10,05 kOhms soit un peu moins de 41°C en entrée de X18A sans chauffage

Maintenant laissons réagir la PAC avec ce montage...

Nota à 10h20 le 24/02/09 :
- carte ampli sur 21°, consigne sur télécommande Daikin 21°
- il fait actuellement 20,4°C ambiant, en sortie carte ampli on a 2,63 volts
- 41.01 = 22, 41.02 = 40
Graphique actuel :
Image

Pour voir la PAC en temps réel, cliquez ici.

@+
Avatar du membre
Reigua
Modérateur
Modérateur
Messages : 2198
Enregistré le : ven. nov. 04, 2005 1:13 pm
Localisation : Normandie, Etretat
Travaillez-vous dans le domaine des énergies ou du chauffage : Non

Message par Reigua »

Salut Elf

Merci pour cette analyse, c'est bien plus clair que mes explications du dessus :lol: Merci

Attendons donc le comportement de ta machine maintenant :?

Reigua
Anciennement PAC Air/Eau Daikin RZQ125/Ajtech et maintenant ZURAN/Ajtech sur 140m² de PC au RDC et 7 radiateurs à l'étage sur 100 m²
http://chezreigua.no-ip.org/index.html
Avatar du membre
elf
Modérateur
Modérateur
Messages : 1395
Enregistré le : ven. nov. 04, 2005 1:58 pm
Localisation : Lançon Provence 13680
Travaillez-vous dans le domaine des énergies ou du chauffage : Non
Contact :

Message par elf »

Tu peux la voir actuellement mais laissons quand même faire le temps ;)
Pour voir la PAC en temps réel, cliquer ici.
ummolae
Resp. Section
Resp. Section
Messages : 3602
Enregistré le : ven. nov. 03, 2006 7:33 pm
Travaillez-vous dans le domaine des énergies ou du chauffage : Non

Message par ummolae »

Reigua a écrit : Donc si j'extrapole, il faut donc que la température de l'eau fourni soit dans la plage des 42 - 51°C pour que la régulation Inverter entre en action :?
Attention l'ami, il s'agit de la température moyenne de condensation (transition de phase gaz --> liquide) qui doit être comprise entre 42/51°C et non pas la température de l'eau échangeur. :wink: :wink:

Sur ma bécanne, j'ai une température entrée gaz à 65°C et une sortie à 36,5°C -->moyenne à 50,75°C, pour une sortie d'eau à 38,7°C.

Analyse du graphe chez ELF
Image
Sur ce graphe, je vois bien la température moyenne de condensation comprise entre 47,5 et 52,5°C, donc théoriquement la régulation proportionnelle devrait fonctionner sans modifier les valeurs de R2T

Chez REIGUA c'est la même chose

Image

Ce graphe nous donne une température de condensation moyenne comprise entre 49 et 50,2 °C.

Conclusion, vos deux machines fonctionnent dans la plage prévue, ce n'est donc pas dans cette voie que le problème se trouve, je pencherais plutôt pour un problème sur le programme de régulation comme sur Altherma.
Avatar du membre
Reigua
Modérateur
Modérateur
Messages : 2198
Enregistré le : ven. nov. 04, 2005 1:13 pm
Localisation : Normandie, Etretat
Travaillez-vous dans le domaine des énergies ou du chauffage : Non

Message par Reigua »

Salut les jeunes :D

Ummolae, je ne suis pas tout à fait d'accord lorsque tu dis que le problème de quasi "non-inverter" ne vient pas de là :? et cela pour 3 raisons :

- Avant l'intervention d'Ajtech sur mon installation, ma machine régulait correctement en Inverter (trop même peut-être). La seule modification qui a été effectuée ce jour là a été la correction de la charge du R410A qui a été augmentée. Je suppose donc que si on augmente la charge, on augmente aussi la température de condensation :roll:

- Elf ne régule pas non plus correctement sa machine et ses tests jusqu'à présent de tromperie de la sonde du fluide en sortie semble indiquer une réelle piste puisqu'il a tout de suite constaté une adaptation de la puissance appelé de sa machine.

- J'ai depuis quelques jours augmenté mon régime de température d'eau et je remarque également un fonctionnement bien mieux étagé avec une certaine régulation de puissance également.

N'est-ce-pas des éléments plutôt rassurants et optimistes :roll:

Bien sûr, tout n'est pas encore gagné puisqu'il va de soit qu'il y a également d'autres paramètres (comme le retour de l'ambiant par rapport à la consigne par exemple) qui agissent très certainement dans ce mécanisme plutôt sophistiqué qu'est ce principe de régulation Inverter de nos chères machines :?

Reigua
Anciennement PAC Air/Eau Daikin RZQ125/Ajtech et maintenant ZURAN/Ajtech sur 140m² de PC au RDC et 7 radiateurs à l'étage sur 100 m²
http://chezreigua.no-ip.org/index.html
Répondre

Retourner vers « AJTECH / ARKTEOS »