Bonsoirmotegerina a écrit :salut a tous, j'ai fait un teste en baissant la temperature chaudiere mais c'est assez compliqué car des qu'elle demarre la temperature remonte en fleche, tjrs est il que j'ai l'impression qu'a 50 degré je peux chauffer la maison meme avec des radiateurs en fonte????? et tres mal isolé????mais je ne suis vraiment pas sure.
je pense quand meme installé la LA 11 et au moins virer la grosse cuve de fioul pour en mettre une plus petite
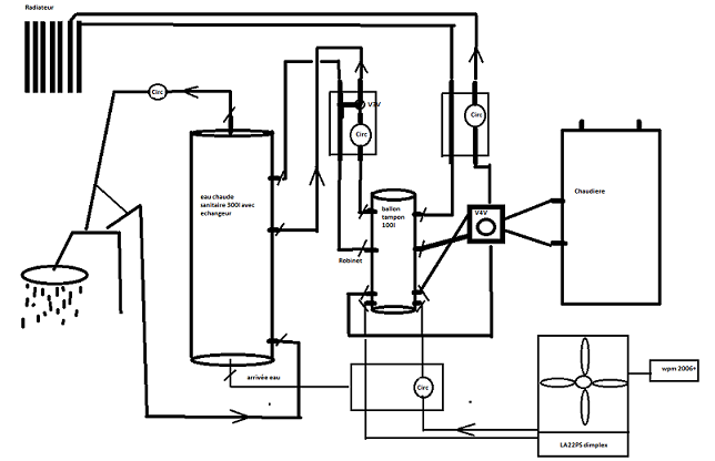
J'espère que tu avais mis ton circulateur à fond et ouvert les radiateurs.
N'oublie pas que la puissance chaudière est triple que celle d'une PAC , cela peut aussi expliquer la montée rapide en T° (par exemple 5mn pour un delta de 10°C) , si en plus une V3V ou V4V est en partie fermée c'est d'autant moins d'eau à chauffer pour ta chaudière (corps acier ou fonte , volume d'eau).
Difficile de ce faire une idée de la T° maxi nécessaire : c'est la T° retour chauffage qu'il faut mesurer , il faut un test plus long et stabilisé sur au moins 48h que l'on peut extrapoler d'une T° ext. moyenne de +5°C par exemple vers les -7°C de base. Si tu es en travaux c'est pas la peine.
J'ai vu à la TV une meulière en cours de modification sur un sujet "habitat participatif" avec 2 étages et fenêtres hautes et étroites style 1900 , encadrement des tableaux proéminents . Les murs étaient constitués de pierres disjonctes et mal taillées jointes au mortier mais pas d'enduit extérieur.
Il est effectivement difficile d'isoler par l'extérieur si tu souhaites garder le cachet mais cela permettrait le meilleur confort en préservant l'inertie des murs.
Si tu installes la Dimplex LA11 tout en gardant la relève chaudière et une cuve de 500 ou 600 l de fuel , tu pourra juger de l'opportunité de mieux isoler afin de limiter l'usage de la chaudière.
La mienne n'a pas démarré de l'hiver (elle est commandée par le régulateur) ECS par cumulus.
A+



