Cablage TCI 25

Répondre
MHz
Scotché au forum
Scotché au forum
Messages : 838
Enregistré le : mar. oct. 30, 2007 1:04 am
Localisation : Toulouse
Travaillez-vous dans le domaine des énergies ou du chauffage : Non

Cablage TCI 25

Message par MHz »

Bonjour à tous,
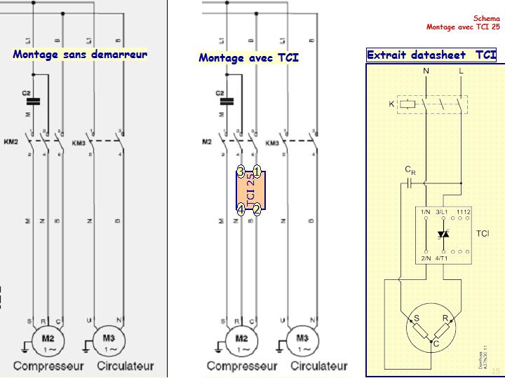
Je suis entrain de remonter une PHRT11 mono à partir de pièces de récups. Pour l'installation du demarreur electrique je n'ai pas de schema de cablage. J'ai retrouvé des schemas de cablage PHRT11 et data sheet du TCI 25
Quelqu'un peut-il me confirmer que c'est bon?
Image

Pour le fonctionement, je comprends qu'il fournit une tension en rampe pendant 1/2s. jusqu'à tension U du secteur.Les LEds doivent indiquer cela.
Par contre pas d'indication de comportement si compresseur bloqué?
Image

Premier tests sans TCI 25 :
  • * si demarrage sur prise 15A, => disjonction
    * si demarrage sur prise 20 A => démarrage OK
J'ai finalment vérifié le montage c'est conforme au data sheet=<Test
Autres tests avec TCI 25 :
  • * si demarrage sur prise 10A, => disjonction
    * si demarrage sur prise 15 A => démarrage OK
Courant de demarrage mesuré par pince ampèremètrique = max 40, etd escente rapide à 34, 25 10
Courant nominal mesuré de 10 à 8 A.

Prochain tests le K60 et sa carte
PC+ BallonSolaireTSP+Technibel PHRT11+Chaudière Sunatherm60
KIt dégivrage G32 avec afficheur deporté
http://www.chaleurterre.com/forum/viewtopic.php?p=68133
http://itow.fr/itow/index.php?r=synopti ... 1362427631
Répondre

Retourner vers « TECHNIBEL »